30FF 30FF
LF Fullrange 3"

30FF

Code: 30FFX8-264B

Full-Range/3inch/Ferrite/Paper/20W/8ohm

Key Features

  • Full-range FREQUENCY RESPONSE
  • Affordable small driver that fits all budgets
  • Very popular in array and column applications

Quick Specs

Impedance

8 Ω

Program Power

40 W

Sensitivity

85.10 dB

Fs

119.00 Hz

Magnet

Ferrite

Voice Coil

0.75 mm

Design Notes

The 30FF is a high efficiency, (85dB 1watt / 1 meter) 3-inch full range speaker with linear frequency response characteristics and high power handling capability while generating low harmonic distortion artifacts. The 30FF uses a lightweight exponential pressed cone assembly along with a NBR single roll geometry surround. The combination provides remarkable strength, high efficiency and sustained output under extreme conditions.
Power Handling
At the core of the 30FF is it’s voice coil technology featuring a Kapton former material capable of withstanding peak temperatures in excess of 240C, well beyond the thermal requirements of modern professional audio systems and providing optimal structural strength and thermal characteristics. Former strength provides the ideal transfer of power between the voice coil and the cone assembly and assists in reducing distortion artifacts. By combining this material with state of the art adhesives and our winding voice coil technology, the 30FF delivers very high performance.
The best application is in column speakers, two-way and multi-way audio systems. Due to its good HF extension, the HF units are not required.

Specifications

General Specs

Nominal Diameter 3"
Rated Impedance 8 Ohm
Magnet Ferrite
Basket Material Steel

Power Handling

AES Power 20 W
Continuous Power 40 W
Peak Power 80 W

Voice Coil

Diameter 0.75 mm
Winding Wire CCAW
Former Kapton
Winding Height 6.5 mm

T/S Parameters

Resonant Frequency (Fs) 119.00 Hz
Re 5.60 \u2126
Qes 0.980
Qms 3.87
Qts 0.780
Vas 0.81 liters
Sd 28.27 cm\u00B2
Mms 2.40 grams
Rms 0.46
Cms 0.7500
Bl 3.25 T\u00B7m
Le 0.040 mH
Sensitivity 85.10 dB

Design Details

Surround Material NBR
Cone/Dome Material Paper CF
Spider Nomex
T-Plate 4 mm
Xmax (peak) 1.25 mm
Xmech 5.25 mm
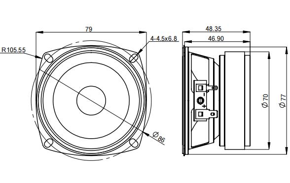
Overall Diameter 79.00 mm
Bolt Circle Diameter 86.00 mm
Baffle Cutout Dia. 77.00 mm
Mounting Holes 4
Depth (flange to rear) 46.90 mm
Net Weight 0.47 kg

Ordering Codes

Product Code 30FFX8-264B

Frequency Response & Impedance

Frequency response of 30FF

2D Drawing

2D drawing of 30FF

Enclosure Recommendations

30FFX8-264B — Enclosure Design Reference & AI Summary
Generated by REDCATT Speaker Enclosure Tool
=== DRIVER IDENTITY ===
Code:         30FFX8-264B
Platform:     30FF
Description:  3-inch Full-Range | Ferrite | Carbon Fiber Paper | 20W AES / 8Ω
Intended Use: Column speaker arrays, two-way and multi-way audio systems, portable products;
              very popular in array and column applications (per manufacturer)

=== THIELE-SMALL PARAMETERS ===
Fs:          119 Hz
Re:          5.6 Ω
Qes:         0.98
Qms:         3.87
Qts:         0.78
Vas:         0.81 L  (810 mL)
Sd:          28.27 cm²
Sensitivity: 85.1 dB (2.83V/1m) / 83.55 dB (1W/1m)
Mms:         2.4 g
Rms:         0.46 N·s/m
Cms:         0.75 mm/N
Bl:          3.25 T·m
Le:          0.04 mH
Xmax:        1.25 mm (one-way, peak)
Xmech:       5.25 mm
Xprot:       7.4 mm
Power:       20W AES / 40W continuous / 80W peak / 8Ω nominal
Voice Coil:  ~19mm (0.75") CCAW on Kapton former
Cone:        Carbon fiber reinforced paper (exponential pressed geometry)
Surround:    NBR rubber, single-roll
Spider:      Nomex
Basket:      Steel
Magnet:      Ferrite

=== DERIVED PARAMETERS ===
Volume displacement (Vd):         Sd × Xmax = 28.27 × 0.125 cm = 3.53 cm³
Inductance rolloff onset (f_Le):  Re / (2π × Le) = 5.6 / (2π × 0.00004) ≈ 22,282 Hz
Cone radius (r_cone):             √(Sd/π) = √(28.27/π) = 3.00 cm
Cone beaming onset (f_beam):      c / (π × r_cone) = 34,400 / (π × 3.00) ≈ 3,650 Hz
Max SPL @ 20W AES:                83.55 + 10·log₁₀(20) = 96.6 dB (1m)
Max SPL @ 40W continuous:         83.55 + 10·log₁₀(40) = 99.6 dB (1m)
Zobel network:                    R_z = 5.6 Ω (series), C_z = Le/Re² = 1.3 μF (series)

NOTE ON INDUCTANCE (Le = 0.04 mH):
At Le = 0.04 mH, the voice coil inductance rolloff onset occurs at 22,282 Hz — well
beyond the audible range. The 30FF presents a substantially resistive impedance from
20 Hz through the entire audio band. This is the lowest inductance value of the
full-range driver family and is a significant contributor to the driver's high-frequency
extension capability — the impedance rise that typically causes HF rolloff in larger
drivers is effectively absent here.

NOTE ON SENSITIVITY:
At 85.1 dB (2.83V/1m) / 83.55 dB (1W/1m), the 30FF is the highest-sensitivity driver
in the full-range family. The larger 3-inch ferrite motor and 28.27 cm² cone area
produce higher acoustic output per unit input than the smaller neodymium drivers in
the 20/21/22/25NFR series. Max SPL of 96.6 dB (20W AES) is also the highest in the
full-range family.

=== ENCLOSURE RECOMMENDATION ===
Qts = 0.78 → Free-air / open-back strongly preferred; sealed enclosures as secondary
option only, always with DSP correction.

IMPORTANT — SEALED BOXES DO NOT IMPROVE BASS FOR THIS DRIVER:
Qts = 0.78 exceeds the Butterworth value of 0.707, making a Butterworth sealed
alignment physically impossible. Any sealed rear cavity raises Qtc above 0.78 and
increases f-3dB above the free-air value:

  Free air (Qtc = 0.78):    f-3dB ≈ 109 Hz  ← best available — lowest of NFR family
  Qtc = 1.00 (1,260 mL):    f-3dB ≈ 120 Hz  (11 Hz higher — worse)
  Qtc = 1.20 (592 mL):      f-3dB ≈ 135 Hz  (26 Hz higher — worse)
  Qtc = 1.50 (300 mL):      f-3dB ≈ 160 Hz  (51 Hz higher — worse)

Free-air or open-back mounting gives the best bass extension: approximately 109 Hz
(-3dB) with a mild response rise approaching Fs due to Qts = 0.78 > 0.707. With DSP
equalization, modest bass extension below 109 Hz is possible within Xmax = 1.25 mm.

--- FREE-AIR / OPEN-BACK (strongly preferred) ---
In free air, the driver operates at its natural Qts = 0.78, with:
  System resonance: Fs = 119 Hz
  System f-3dB:     ≈ 109 Hz
  Natural response: flat from ~130 Hz upward; mild peak approaching Fs; gentle rolloff
                    below 109 Hz

The 109 Hz free-air f-3dB is the lowest in the full-range driver family, making the
30FF the strongest candidate for column or multi-way systems requiring genuine bass
reproduction without a dedicated woofer. With DSP correction, operation to ~80 Hz is
feasible within the 1.25mm Xmax limit at moderate drive levels.

--- SEALED ENCLOSURES (secondary — structural requirement only) ---
Where a sealed housing is structurally necessary. DSP correction mandatory in all cases.
Volumes below are net internal airspace — subtract driver chassis displacement (~30 mL
estimated) from gross enclosure volume to ensure correct net airspace.

Alignment 1 — Large sealed (compact bookshelf / column rear chamber)
  Cabinet volume (Vb):    1,260 mL  (1.26 L)
  System Qtc:             1.00
  System fc:              153 Hz
  System f-3dB:           120 Hz
  Notes: Closest to free-air bass extension; lightly peaked response; modest DSP
         correction needed; a 1.26 L enclosure is practical for a 3" driver desktop
         or column rear chamber

Alignment 2 — Compact sealed (portable / slim column)
  Cabinet volume (Vb):    592 mL
  System Qtc:             1.20
  System fc:              183 Hz
  System f-3dB:           135 Hz
  Notes: Practical column rear cavity size; noticeably peaked response around 183 Hz;
         DSP correction required for flat playback

Alignment 3 — Minimal sealed (slim portable / compact product)
  Cabinet volume (Vb):    300 mL
  System Qtc:             1.50
  System fc:              229 Hz
  System f-3dB:           160 Hz
  Notes: Strongly peaked; full DSP management required; usable in compact columns and
         portable products where chassis depth limits available cavity

=== COLUMN SPEAKER / ARRAY GUIDANCE ===
The 8Ω nominal impedance allows standard amplifier connection and simple parallel wiring:
  2× 8Ω in parallel = 4Ω
  4× 8Ω in parallel = 2Ω (requires amplifier rated for 2Ω loads)

Array directivity — the 79mm overall driver diameter sets minimum pitch in a column:
  Maximum coherent array frequency: c / (2 × driver pitch)
                                    = 34,400 cm/s / (2 × 7.9 cm) ≈ 2,177 Hz ≈ 2.2 kHz

Above approximately 2.2 kHz, grating lobes appear in the vertical radiation pattern —
the lowest coherent array frequency in the full-range driver family, a consequence of
the 3-inch form factor. The 3,650 Hz cone beaming onset provides some high-frequency
directivity control above this threshold.

For column enclosures, open-back mounting or maximum available rear cavity depth per
driver is recommended. The 30FF's combination of low Fs (119 Hz), high sensitivity
(85.1 dB / 2.83V/1m), and high power handling (20W AES) makes it the preferred choice
for column systems prioritising maximum SPL and lowest bass extension from a full-range
driver. The NBR surround supports outdoor and semi-outdoor long-term installations.

=== CROSSOVER / DSP GUIDANCE ===
Full-range operation:  ~120 Hz – 15+ kHz (natural; near-flat from ~130 Hz)
With DSP / host EQ:    Bass extension to ~80 Hz possible within Xmax = 1.25mm limit;
                       apply conservatively — Xmax limits bass output at high power
High-pass filter:      Mandatory; recommended at 70–100 Hz minimum
Cone beaming:          Onset at ~3,650 Hz — the earliest beaming onset of the family
                       due to the 3" cone; directivity narrows meaningfully above 3.5 kHz
Inductance rolloff:    Onset at ~22,282 Hz — completely inaudible; the driver maintains
                       flat response through the entire audio band from the motor side
Passive crossover:     Zobel network (5.6Ω + 1.3 μF in series across driver terminals)
                       compensates voice coil inductance (minimal here, included for
                       completeness in passive crossover designs)

In two-way and multi-way systems, the 30FF covers the full-range band from ~120 Hz
upward. Where a tweeter is added, crossing at 3,000–3,500 Hz (just below beaming onset)
with a 2nd or 3rd-order network avoids the directivity narrowing and ensures smooth
power response handoff. The manufacturer notes that HF units are not required due to
the driver's good HF extension.

=== FULL-RANGE FAMILY COMPARISON (All Five Variants) ===

Parameter           20NFRX4-345A  21NFRX16-393D  22NFRX8-462A  25NFRX8-279  30FFX8-264B
Size                2"            2"             2"            2.5"         3"
Magnet              Neodymium     Neodymium      Neodymium     Neodymium    Ferrite
Impedance           4Ω            16Ω            8Ω            8Ω           8Ω
AES Power           10W           10W            20W           20W          20W
Fs                  185 Hz        157 Hz         255 Hz        123 Hz       119 Hz
Qts                 0.52          0.68           0.85          0.71         0.78
Vas                 90 mL         250 mL         80 mL         460 mL       810 mL
Sd                  11.34 cm²     16.62 cm²      15.9 cm²      21.2 cm²     28.27 cm²
Xmax                3.0 mm        1.2 mm         0.75 mm       2.65 mm      1.25 mm
Vd                  3.40 cm³      2.0 cm³        1.19 cm³      5.62 cm³     3.53 cm³
Sensitivity(2.83V)  83.03 dB      84.7 dB        85.04 dB      82.69 dB     85.1 dB
Sensitivity(1W/1m)  79.56 dB      85.76 dB       83.49 dB      82.34 dB     83.55 dB
Max SPL (AES)       89.6 dB       95.8 dB        96.5 dB       95.4 dB      96.6 dB
f-3dB free air      272 Hz        164 Hz         219 Hz        123 Hz       109 Hz
f_Le                7,162 Hz      16,242 Hz      14,854 Hz     12,920 Hz    22,282 Hz
f_beam              5,764 Hz      4,761 Hz       4,867 Hz      4,215 Hz     3,650 Hz
Array limit (pitch) 3,583 Hz      3,002 Hz       2,843 Hz      2,646 Hz     2,177 Hz
Surround            Foam          NBR            Fabric        NBR          NBR
Cone                Paper GF      Paper CF       Paper GF      Paper GF     Paper CF
Best enclosure      Small sealed  Free-air       Free-air      Free-air     Free-air

SELECTION GUIDANCE:
20NFRX4-345A: Sealed box actively improves bass (Qts=0.52); largest Xmax (3.0mm)
  for bass boost; 4Ω direct consumer connection; lowest cost / smallest form factor.
21NFRX16-393D: Column array wiring flexibility (16Ω); lowest Fs among 2" variants
  (157 Hz); NBR outdoor durability; highest per-watt sensitivity (85.76 dB).
22NFRX8-462A: Highest power (20W) and SPL (96.5 dB) among 2" variants; 8Ω standard;
  front/back mounting; suited for upper-band use in multi-way systems.
25NFRX8-279: Largest Vd (5.62 cm³) for bass boost; lowest Fs among neodymium
  variants (123 Hz); near-Butterworth in free air; best all-round 2.5" full-range.
30FFX8-264B: Lowest free-air f-3dB of the family (109 Hz); highest sensitivity
  (85.1 dB / 2.83V/1m) and max SPL (96.6 dB); ferrite motor; largest form factor;
  preferred choice for column and array applications requiring maximum SPL and bass.

=== SUMMARY ===

The 30FFX8-264B is a 3-inch full-range driver featuring a ferrite magnetic circuit — the only ferrite motor in the full-range driver family — designed for column speaker arrays, two-way and multi-way audio systems, and applications requiring the highest sensitivity and SPL from a compact full-range driver. The exponential-profile carbon fiber reinforced paper cone is coupled to an NBR single-roll surround and Nomex spider, driven by a ~19mm CCAW voice coil on a Kapton former. Sensitivity is 83.55 dB (1W/1m) / 85.1 dB (2.83V/1m) — the highest in the full-range family — with a Bl of 3.25 T·m, supporting 20W AES / 40W continuous power handling and delivering a peak SPL of 96.6 dB at 1 metre, also the highest of the five-variant full-range family. Qts = 0.78 reflects a compliant suspension design suited to free-air and open-back installations; at Qts above 0.707, no sealed alignment can extend bass below the free-air f-3dB.

Free-air or open-back installation is strongly preferred, delivering a natural system f-3dB of approximately 109 Hz — the lowest in the full-range family, achieved through the combination of the low Fs (119 Hz) and the Qts = 0.78 response shape. Any sealed rear cavity raises Qtc and increases f-3dB above 109 Hz. Where a sealed cavity is required for structural reasons, three reference alignments are provided:

  • 1,260 mL / Qtc=1.00 / f-3dB 120 Hz — large sealed; closest to free-air extension
  • 592 mL / Qtc=1.20 / f-3dB 135 Hz — compact sealed for column rear chambers
  • 300 mL / Qtc=1.50 / f-3dB 160 Hz — minimal sealed cavity; full DSP correction required

The voice coil inductance of Le = 0.04 mH places the inductance rolloff onset at 22,282 Hz — the highest of the full-range family and well beyond the audible range — ensuring a flat, resistive impedance characteristic across 20 Hz to 20 kHz. Cone beaming onset at 3,650 Hz is the earliest in the family due to the 3-inch cone diameter; in column array applications, the 79mm driver OD limits coherent vertical directivity to approximately 2.2 kHz. A subsonic high-pass filter at 70–100 Hz is recommended; the 1.25mm Xmax limits the bass boost that can be applied at high drive levels. The 30FFX8-264B is suited for vertical column speaker arrays requiring maximum SPL and the lowest bass extension available from a 3-inch full-range driver; two-way and multi-way installed systems as the primary full-range element; outdoor and semi-outdoor column enclosures where NBR surround durability and ferrite motor cost-effectiveness are design priorities; and portable products requiring high sensitivity and broad frequency coverage from a compact 3-inch driver.

Frequently Asked Questions

  • - Full-range FREQUENCY RESPONSE
  • - Affordable small driver that fits all budgets
  • - Very popular in array and column applications
30FFX8-264B — Enclosure Design Reference & AI Summary
Generated by REDCATT Speaker Enclosure Tool
=== DRIVER IDENTITY ===
Code:         30FFX8-264B
Platform:     30FF
Description:  3-inch Full-Range | Ferrite | Carbon Fiber Paper | 20W AES / 8Ω
Intended Use: Column speaker arrays, two-way and multi-way audio systems, portable products;
              very popular in array and column applications (per manufacturer)

=== THIELE-SMALL PARAMETERS ===
Fs:          119 Hz
Re:          5.6 Ω
Qes:         0.98
Qms:         3.87
Qts:         0.78
Vas:         0.81 L  (810 mL)
Sd:          28.27 cm²
Sensitivity: 85.1 dB (2.83V/1m) / 83.55 dB (1W/1m)
Mms:         2.4 g
Rms:         0.46 N·s/m
Cms:         0.75 mm/N
Bl:          3.25 T·m
Le:          0.04 mH
Xmax:        1.25 mm (one-way, peak)
Xmech:       5.25 mm
Xprot:       7.4 mm
Power:       20W AES / 40W continuous / 80W peak / 8Ω nominal
Voice Coil:  ~19mm (0.75") CCAW on Kapton former
Cone:        Carbon fiber reinforced paper (exponential pressed geometry)
Surround:    NBR rubber, single-roll
Spider:      Nomex
Basket:      Steel
Magnet:      Ferrite

=== DERIVED PARAMETERS ===
Volume displacement (Vd):         Sd × Xmax = 28.27 × 0.125 cm = 3.53 cm³
Inductance rolloff onset (f_Le):  Re / (2π × Le) = 5.6 / (2π × 0.00004) ≈ 22,282 Hz
Cone radius (r_cone):             √(Sd/π) = √(28.27/π) = 3.00 cm
Cone beaming onset (f_beam):      c / (π × r_cone) = 34,400 / (π × 3.00) ≈ 3,650 Hz
Max SPL @ 20W AES:                83.55 + 10·log₁₀...
AES Power: 20 W, Continuous: 40 W, Peak: 80 W. Sensitivity: 85.10 dB (1W/1m).

Related Products