Twiggy35 Twiggy35
LF Woofer 3.5"

Twiggy35

Code: Twiggy35X8-535D

Shallow woofer/3.5inch/Neo/Paper/10W/8ohm

Key Features

  • Remarkably slim 10.15mm mounting depth
  • 3.8mm cone excursion
  • Power handling capacity of 20 watts

Quick Specs

Impedance

8 Ω

Program Power

20 W

Sensitivity

83.00 dB

Fs

145.00 Hz

Magnet

Neodymium

Voice Coil

33 mm

Design Notes

Introducing the 35Twiggy mid-woofer, designed for ultra-thin applications. With its remarkably slim 10.15mm mounting depth and maximum 3.8mm cone excursion, this driver delivers exceptional performance. The 3-layer honeycomb cone ensures optimal functionality across all ranges. Boasting a power handling capacity of 20 watts, the 35Twiggy is a standout in our Twiggy product line. Designed with our patented technology, Twiggy drivers offer unparalleled design flexibility for unique product shapes and space-constrained environments. Experience world-class audio innovation with the 35Twiggy.

Specifications

General Specs

Nominal Diameter 3.5"
Rated Impedance 8 Ohm
Magnet Neodymium
Basket Material Steel

Power Handling

AES Power 10 W
Continuous Power 20 W
Peak Power 40 W

Voice Coil

Diameter 33 mm
Winding Wire CCAW
Former Aluminum
Winding Height 3 mm

T/S Parameters

Resonant Frequency (Fs) 145.00 Hz
Re 7.30 \u2126
Qes 1.750
Qms 4.38
Qts 1.250
Vas 0.60 liters
Sd 36.32 cm\u00B2
Mms 3.70 grams
Rms 0.77
Cms 0.3300
Bl 3.70 T\u00B7m
Le 0.190 mH
Sensitivity 83.00 dB

Design Details

Surround Material NBR
Cone/Dome Material Paper Honey Comb
Spider Nomex
T-Plate 2.5 mm
Xmax (peak) 0.25 mm
Xmech 2.75 mm
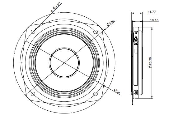
Bolt Circle Diameter 94.00 mm
Baffle Cutout Dia. 77.00 mm
Mounting Holes 4
Depth (flange to rear) 10.15 mm
Net Weight 0.10 kg

Ordering Codes

Product Code Twiggy35X8-535D

Frequency Response & Impedance

Frequency response of Twiggy35

2D Drawing

2D drawing of Twiggy35

Technical Summary

The Twiggy35X8-535D is a 3.5-inch ultra-shallow woofer with a total mounting depth of 10.15 mm — approximately four to six times shallower than a conventional driver of equivalent nominal size. Built on the patented Twiggy suspension geometry, the driver achieves a design cone excursion of 3.8 mm (Xprot) within its 10.15 mm depth — a displacement-to-depth ratio of approximately 37% that is unprecedented in conventional loudspeaker design. The driver features a CCAW voice coil on an aluminum former, a three-layer honeycomb paper cone for rigidity and low mass, and a neodymium motor providing usable Bl (3.7 T·m) within the extreme dimensional constraint.

In vented TV and flat-panel enclosures — the primary proven deployment for this driver — a small port or slot opening in the chassis allows DSP-managed bass extension down to approximately 30 Hz. This is achieved by combining the large physical cone travel available within the Twiggy design (up to 3.8 mm Xprot) with active excursion control and shelf boost in the product DSP. The port loading reduces cone excursion demand near the enclosure tuning frequency, while the DSP high-pass filter protects the driver below the tuning point. The result is a TV or thin-panel speaker system with genuine low-frequency output well below the driver's free-air resonance — performance that would be impossible with a conventional shallow speaker of comparable depth. Sealed enclosures are also viable across a wide range of products, with cavity volumes from 0.06 L (TV) to 0.6 L (conference speaker) producing system resonances between 205 and 481 Hz that DSP equalization corrects to flat in-band response.

The driver handles 10 W AES (20 W continuous) into 8 ohms. In vented TV applications with DSP bass extension, excursion limiting to the 3.8 mm Xprot boundary is essential for driver protection at frequencies approaching the HP filter cutoff. A tweeter crossover is required, with a recommended handoff at 1.0–1.8 kHz where the honeycomb cone begins higher-order modal behavior. The very low inductance (Le = 0.19 mH) provides a flat impedance curve through the crossover region, simplifying integration with tweeter networks.

The Twiggy35X8-535D is suited for thin-bezel television speakers with DSP-extended bass, compact soundbar mid-woofer arrays, conference room table speakers, videoconferencing devices, automotive door-skin and A-pillar installations, headrest and headliner speakers, and any product where the available acoustic depth is less than 30 mm and conventional speakers cannot be accommodated.

Enclosure Recommendations

ENCLOSURE RECOMMENDATIONS: Twiggy35X8-535D
Driver: Twiggy35X8-535D (Twiggy35) — 3.5" ultra-shallow woofer, 8 ohm
Key T/S: Fs=145.0Hz, Qts=1.25, Qes=1.75, Qms=4.38, Vas=0.6L, Sens=83dB
Power: AES 10W / Cont 20W / Peak 40W
Xmax=0.25mm (linear), Xmech=2.75mm, Xprot=3.8mm
Sd=36.32cm², Bl=3.7T·m, Le=0.19mH
Depth: 10.15mm | Baffle cutout: 77mm | CCAW voice coil | Honeycomb paper cone

DESIGN HIGHLIGHTS AND REMARKABLE PROPORTIONS:
  - Total mounting depth: 10.15mm — approximately 4–6× shallower than a
    conventional 3.5" driver (typically 40–60mm)
  - Design cone excursion: 3.8mm (Xprot) — represents 37% of the total
    driver depth. This ratio is extraordinary; conventional speakers
    achieve Xmax of only 5–15% of total depth
  - Patented Twiggy suspension geometry allows the voice coil and cone
    to travel nearly 4mm within a chassis just over 10mm deep
  - CCAW (Copper-Clad Aluminum Wire) voice coil on aluminum former —
    minimizes moving mass for improved sensitivity within the severe
    depth constraint; CCAW reduces coil mass vs full-copper winding
  - 3-layer honeycomb paper cone — high rigidity-to-mass ratio, resists
    cone breakup through the upper frequency operating range, supports
    crossover to tweeter at up to 1.8 kHz
  - Le=0.19mH — very low inductance supports extended, flat response to
    the crossover point; clean handoff to tweeter
  - Steel basket — compact, cost-effective integration into thin product
    assemblies; lower weight than aluminum at this scale (95 grams total)
  - Neodymium motor — provides usable motor force within the extreme
    depth constraint; ferrite magnet not viable at this form factor

CROSSOVER REQUIREMENT:
  This driver requires a tweeter. Recommended crossover frequency:
  1.0–1.8 kHz (Linkwitz-Riley or Butterworth, 12–24dB/oct)
  The honeycomb cone maintains controlled response to ~1.8 kHz, above
  which higher-order breakup modes begin. A tweeter crossing in at
  1.2–1.5 kHz is recommended for best power response and imaging.

NOTES ON Qts=1.25 AND ENCLOSURE BEHAVIOR:
  With Qts=1.25, no practical sealed box volume produces a Butterworth
  (Qtc=0.707) or near-flat response. ALL sealed enclosure alignments
  for this driver exhibit a resonant peak at fc, ranging from ~+3dB to
  +12dB depending on box volume. This is inherent to the high Qts
  design — a trade-off accepted in exchange for the extreme thinness.

  DSP equalization is required in virtually all applications to produce
  flat frequency response. This is consistent with the target product
  categories (TVs, soundbars, automotive, conference systems) which
  universally incorporate DSP signal processing.

  Effective operating bandwidth: fc (application-dependent) to 1.8 kHz
  HP filter below fc is essential for excursion protection.
APPLICATION-SPECIFIC ENCLOSURE SCENARIOS
All enclosures are sealed (acoustic suspension). No vented/ported
designs are practical given the depth constraint. The dominant design
variable is the cavity volume achievable within the product depth budget.
SCENARIO 1 — TV / FLAT-PANEL DISPLAY
  Cavity Volume: 0.06 L (60 cm³)
  Example: 80mm × 50mm × 15mm cavity behind driver
  Qtc: 4.15
  fc: 481 Hz
  Total assembly depth: ~25mm (driver + cavity + backplate)
  HP Filter: 300 Hz (24dB/oct minimum)
  DSP: Mandatory — ~12dB cut at fc required for flat response
  Max SPL at 0.5m: ~96dB (10W AES)
  Notes: In a thin-bezel TV, the driver is typically rear-firing or
         downward-firing. At fc=481Hz the driver operates as a midrange
         in this application — bass content is either absent or boosted
         via psychoacoustic DSP (virtual bass enhancement). The shallow
         cavity is a feature, not a limitation: a pair of Twiggy35
         drivers fits within a 28–30mm TV chassis profile. Best results
         achieved with DSP shelf correction and HP at 300Hz.
SCENARIO 2 — SOUNDBAR
  Cavity Volume: 0.25 L (250 cm³)
  Example: 100mm × 50mm × 50mm cavity behind driver
  Qtc: 2.31
  fc: 267 Hz
  Total assembly depth: ~60mm (driver + cavity + rear panel)
  HP Filter: 150 Hz (24dB/oct recommended)
  DSP: Required — ~7dB cut at fc for flat response
  Max SPL at 1m: ~93dB (10W AES)
  Notes: A compact soundbar can accommodate a larger cavity than a TV,
         giving a more manageable fc and response peak. Multiple Twiggy35
         drivers in an array along a 60cm soundbar provide useful output
         from 150 Hz to 1.8 kHz, with a tweeter array handling the
         remainder. The 10.15mm driver depth easily fits in any soundbar
         ≥18mm deep. DSP correction to flat above 150Hz is straightforward
         with modern soundbar processor chips.
SCENARIO 3 — CONFERENCE ROOM TABLE SPEAKER / DESKTOP DEVICE
  Cavity Volume: 0.6 L (600 cm³)
  Example: 120mm × 100mm × 50mm cavity (or distributed volume)
  Qtc: 1.77
  fc: 205 Hz
  Total assembly depth: ~60mm device height
  HP Filter: 100 Hz (24dB/oct recommended)
  DSP: Beneficial — ~5dB shelf correction below 200Hz
  Max SPL at 0.5m: ~96dB (10W AES)
  Notes: A flush-mount table speaker or conference speakerphone housing
         can achieve 0.6L cavity volume while maintaining a slim profile.
         At fc=205Hz, the response peak is in the upper bass range and
         is easily corrected by DSP. The driver covers 100Hz–1.8kHz
         effectively with equalization — suitable for voice reproduction,
         videoconferencing, and near-field audio. A pair (L+R) in a
         cylindrical or oval table-top housing provides clear, articulate
         speech reproduction at conference room distances.
SCENARIO 4 — AUTOMOTIVE: DOOR SKIN / DASH / A-PILLAR
  Cavity Volume: 0.15 L (150 cm³)
  Example: 100mm × 75mm × 20mm cavity in door skin
  Qtc: 2.80
  fc: 324 Hz
  Total assembly depth: ~30mm (driver + door skin cavity)
  HP Filter: 180 Hz (24dB/oct recommended)
  DSP: Standard in automotive — car audio DSP handles fc correction
  Max SPL at 1m: ~93dB (10W AES) — supplemented by rear channels
  Notes: The Twiggy35's 10.15mm depth allows installation directly into
         a 12–15mm door skin without breakthrough into the door cavity.
         This eliminates the acoustic coupling issues of door-cavity
         mounting. A-pillar and dashboard installations benefit from
         the minimal depth clearance requirement. In automotive systems
         with DSP head units, the fc=324Hz response peak is corrected
         automatically by EQ tuning. Crossover to tweeter at 1.2–1.5kHz
         provides full-range output within the front soundstage.
SCENARIO 5 — AUTOMOTIVE: HEADREST / HEADLINER / PARCEL SHELF
  Cavity Volume: 0.08 L (80 cm³)
  Example: 65mm × 50mm × 25mm cavity in headrest housing
  Qtc: 3.64
  fc: 422 Hz
  Total assembly depth: ~35mm
  HP Filter: 250 Hz (24dB/oct recommended)
  DSP: Standard
  Notes: Headrest-mounted speakers operate at very short listening
         distances (0.1–0.3m), so sensitivity requirements are modest.
         The 10.15mm depth is a critical enabler for headrest integration
         where even 20–25mm clearance is challenging with conventional
         drivers. At this distance, fc=422Hz is less audible as a peak
         due to the near-field listening position. Well-suited for
         active headrest audio (individual zone audio), conferencing
         in vehicles, and luxury automotive applications.
SCENARIO 6 — INFINITE BAFFLE / OPEN BACK / PANEL MOUNT
  Cavity Volume: N/A (no enclosure)
  Qtc: 1.25 (= Qts)
  fc: 145 Hz (= Fs)
  Total assembly depth: 10.15mm (driver only)
  HP Filter: 80 Hz (recommended to protect Xmech)
  DSP: Strongly recommended — ~4dB shelf correction below 145Hz
  Notes: When mounted in a large flat panel or baffle with open rear,
         the driver operates near its free-air parameters. At Qts=1.25,
         there is a moderate +4dB peak at Fs=145Hz, which DSP corrects
         readily. This is the thinnest possible assembly — 10.15mm total.
         Suitable for flat-panel PA speakers, architectural installations,
         and display-integrated audio where the rear of the panel is
         acoustically open. The driver loads into the room's acoustic
         impedance rather than a sealed cavity.
SYSTEM INTEGRATION SUMMARY
  Crossover to tweeter:  1.0–1.8 kHz (2nd or 4th order crossover)
  Driver operating band: HP filter cutoff to 1.8 kHz
  Sensitivity:           83 dB (1W/1m) — pair with tweeter of ~83–89dB
                         sensitivity for balanced levels
  Impedance:             8 ohm nominal (Re=7.3Ω)
  Max output (10W AES):  93dB at 1m / 99dB at 0.5m / 105dB at 0.25m

  All applications require DSP for flat frequency response.
  All applications require HP filtering to protect the driver
  from excessive excursion below the operating bandwidth.

  | Application      | Cavity | Qtc  | fc    | Total Depth | HP Filter |
  |------------------|--------|------|-------|-------------|-----------|
  | TV / flat panel  | 0.06L  | 4.15 | 481Hz | ~25mm       | 300Hz     |
  | Soundbar         | 0.25L  | 2.31 | 267Hz | ~60mm       | 150Hz     |
  | Conference/desk  | 0.60L  | 1.77 | 205Hz | ~60mm       | 100Hz     |
  | Auto door/dash   | 0.15L  | 2.80 | 324Hz | ~30mm       | 180Hz     |
  | Auto headrest    | 0.08L  | 3.64 | 422Hz | ~35mm       | 250Hz     |
  | Infinite baffle  | open   | 1.25 | 145Hz | 10.15mm     | 80Hz      |

Frequently Asked Questions

  • - Remarkably slim 10.15mm mounting depth
  • - 3.8mm cone excursion
  • - Power handling capacity of 20 watts
ENCLOSURE RECOMMENDATIONS: Twiggy35X8-535D
Driver: Twiggy35X8-535D (Twiggy35) — 3.5" ultra-shallow woofer, 8 ohm
Key T/S: Fs=145.0Hz, Qts=1.25, Qes=1.75, Qms=4.38, Vas=0.6L, Sens=83dB
Power: AES 10W / Cont 20W / Peak 40W
Xmax=0.25mm (linear), Xmech=2.75mm, Xprot=3.8mm
Sd=36.32cm², Bl=3.7T·m, Le=0.19mH
Depth: 10.15mm | Baffle cutout: 77mm | CCAW voice coil | Honeycomb paper cone

DESIGN HIGHLIGHTS AND REMARKABLE PROPORTIONS:
  - Total mounting depth: 10.15mm — approximately 4–6× shallower than a
    conventional 3.5" driver (typically 40–60mm)
  - Design cone excursion: 3.8mm (Xprot) — represents 37% of the total
    driver depth. This ratio is extraordinary; conventional speakers
    achieve Xmax of only 5–15% of total depth
  - Patented Twiggy suspension geometry allows the voice coil and cone
    to travel nearly 4mm within a chassis just over 10mm deep
  - CCAW (Copper-Clad Aluminum Wire) voice coil on aluminum former —
    minimizes moving mass for improved sensitivity within the severe
    depth constraint; CCAW reduces coil mass vs full-copper winding
  - 3-layer honeycomb paper cone — high rigidity-to-mass ratio, resists
    cone breakup through the upper frequency operating range, supports
    crossover to tweeter at up to 1.8 kHz
  - Le=0.19mH — very low inductance supports extended, flat response to
    the crossover point; clean handoff to tweeter
  - Steel basket — compact, cost-effective integration into thin product
    assemblies; lower weight than aluminum at...
The Twiggy35X8-535D is a 3.5-inch ultra-shallow woofer with a total mounting depth of 10.15 mm — approximately four to six times shallower than a conventional driver of equivalent nominal size. Built on the patented Twiggy suspension geometry, the driver achieves a design cone excursion of 3.8 mm (Xprot) within its 10.15 mm depth — a displacement-to-depth ratio of approximately 37% that is unprecedented in conventional loudspeaker design. The driver features a CCAW voice coil on an aluminum former, a three-layer honeycomb paper cone for rigidity and low mass, and a neodymium motor providing usable Bl (3.7 T·m) within the extreme dimensional constraint. In vented TV and flat-panel enclosures — the primary proven deployment for this driver — a small port or slot opening in the chassis allows DSP-managed bass extension down to approximately 30 Hz. This is achieved by combining the large physical cone travel available within the Twiggy design (up to 3.8 mm Xprot) with active excursion control and shelf boost in the product DSP. The port loading reduces cone excursion demand near the enclosure tuning frequency, while the DSP high-pass filter protects the driver below the tuning point. The result is a TV or thin-panel speaker system with genuine low-frequency output well below the driver's free-air resonance — performance that would be impossible with a conventional shallow speaker of comparable depth. Sealed enclosures are also viable across a wide range of products, with cavity volumes from 0.06 L (TV) to 0.6 L (conference speaker) producing system resonances between 205 and 481 Hz that DSP equalization corrects to flat in-band response. The driver handles 10 W AES (20 W continuous) into 8 ohms. In vented TV applications with DSP bass extension, excursion limiting to the 3.8 mm Xprot boundary is essential for driver protection at frequencies approaching the HP filter cutoff. A tweeter crossover is required, with a recommended handoff at 1.0–1.8 kHz where the honeycomb cone begins higher-order modal behavior. The very low inductance (Le = 0.19 mH) provides a flat impedance curve through the crossover region, simplifying integration with tweeter networks. The Twiggy35X8-535D is suited for thin-bezel television speakers with DSP-extended bass, compact soundbar mid-woofer arrays, conference room table speakers, videoconferencing devices, automotive door-skin and A-pillar installations, headrest and headliner speakers, and any product where the available acoustic depth is less than 30 mm and conventional speakers cannot be accommodated.
AES Power: 10 W, Continuous: 20 W, Peak: 40 W. Sensitivity: 83.00 dB (1W/1m).

Related Products